
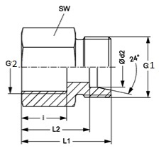
- 1. tömítési forma A- forma
- 2. tömítési forma 24°-os belső kúp
- 1. csatlakozás: metrikus hengeres belső menet
- 2. csatlakozás: metrikus hengeres külső menet
- Szerkezeti forma: egyenes
- Szerkezeti mód: rácsavarható csavarzat
- Szabvány DIN 2353, ISO 8434-1
- Anyaga: acél
- Felületvédelem: galvanikusan bevonatolt